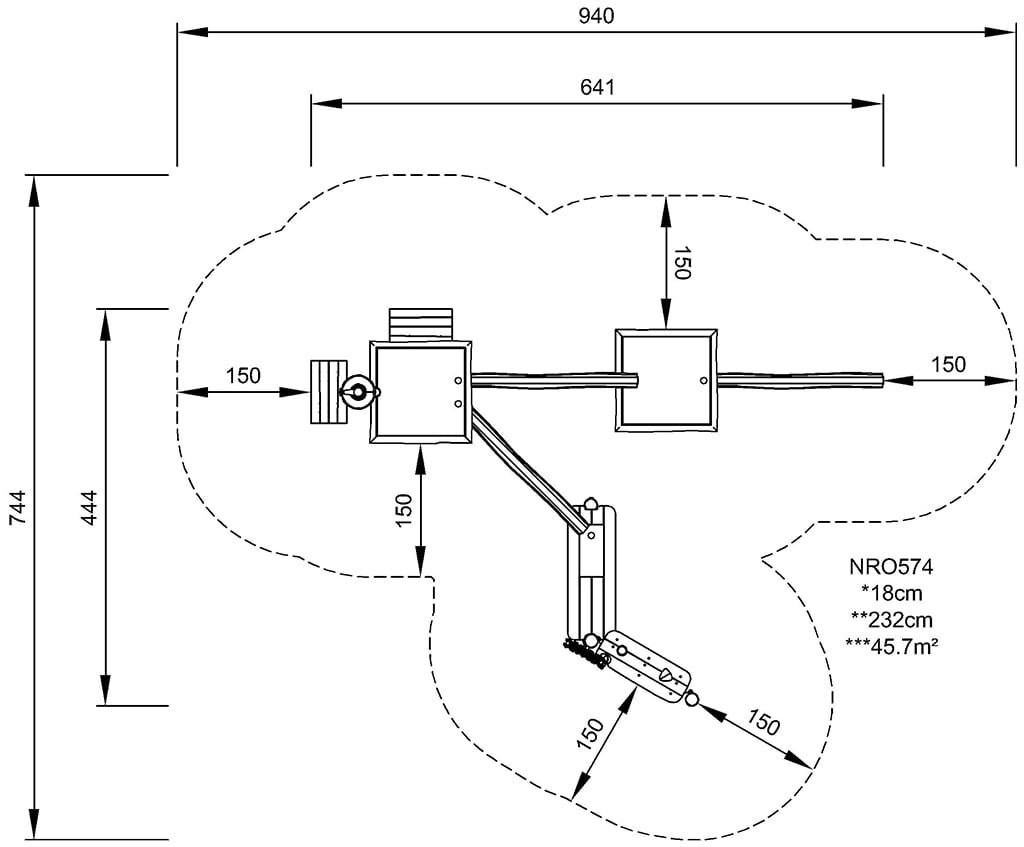
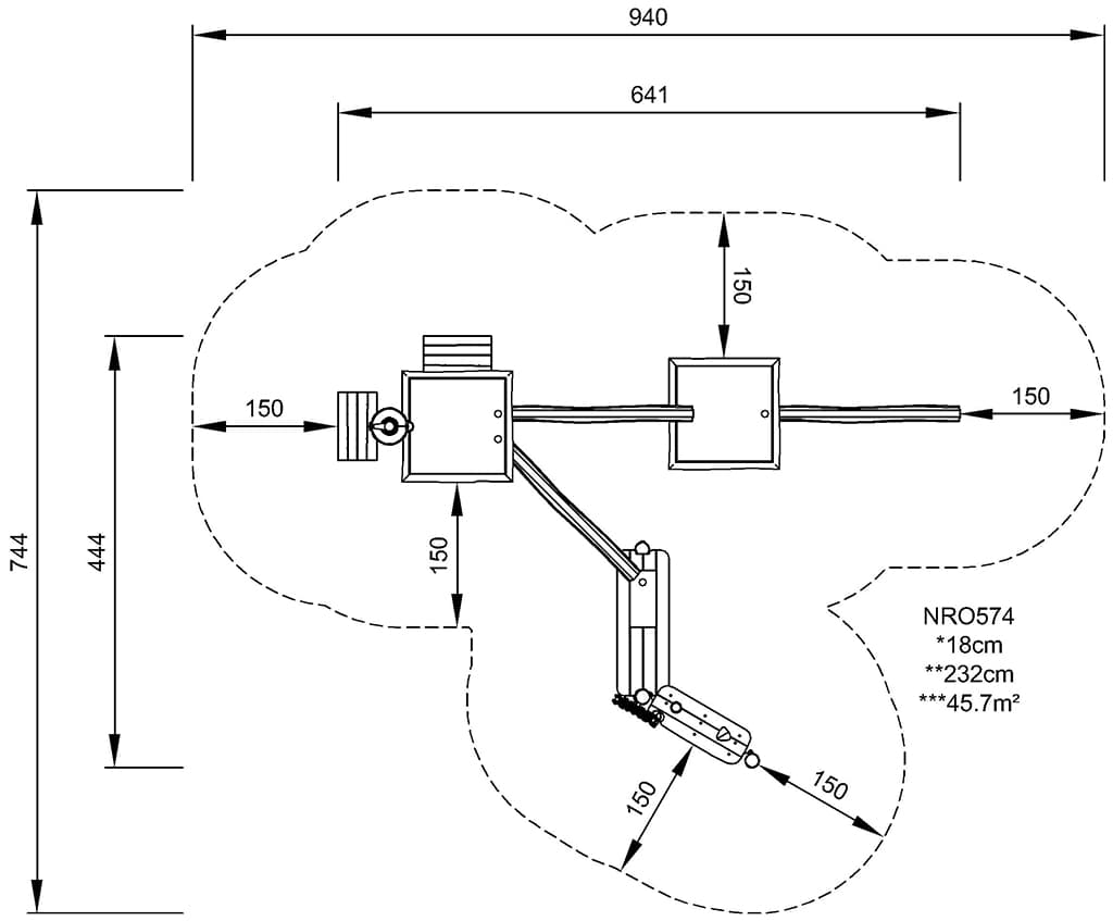
Splash basin with plug
Social-Emotional
meeting point for cooperation and sharing. Develops turn-taking and cooperation.
Cognitive
logical thinking and understanding of 'cause and effect' are trained when children stop or let go of water from the basin.
Creative
the water plug makes changing water levels possible, which adds to logical thinking skills.















